Contact us

 

What we do

 

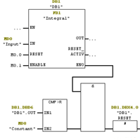
Screenshots

 

News

 

Home

 
Siemens PLC Programmers

 

We can configure, program integrate and commission all Siemens PLC's. We program to your specification using the most appropriate programming language. Siemens PLC's can be programmed using ladder logic (LAD), function blocks (FBD) or statement list (STL). Our engineers are conversant in all of these diciplines.

Also as the industrial internet of things (iiot) gathers pace and popularity we have placed ourselves at the forefont of data aquisition from your plant to anywhere in the world for convenient analysis. If required, your data can be securely viewed on any web enabled device, including the convenience of a mobile phone.

 

Siemens Step7 Ladder LAD

 

Siemens Step7 Function Block FBD

 

Siemens Step7 Statement List STL

 
     

Related Topics

Siemens PLC programmer

Siemens PLC programmers

Siemens S5 PLC programmers

Siemens S7 PLC programmers

Siemens controls programmers
Siemens plc controls programmers

Siemens Step 7/Step7/S7 S7400 S7 400 S7-400 PLC programmers
The S7 400 has the fastest communications update rate largest memory and highest I/O capacity of the S7 range Its programs can control whole plant areas. Multiple programmers are able to write code concurrently while online to a single PLC Typical applications include batch control complex machinery and process control

Siemens special purpose machine programmers

win cc flexible wincc flexible
comfort panel comfort panels
comfort touchscreen panel comfort touchscreen panel

Siemens bespoke machine programmers

Step5 Step7
Siemens S5-90
Siemens S5-95
Siemens S5-100
Siemens S5-115
Siemens S5-135
Siemens S5-155
Siemens S7-200
Siemens S7-300
Siemens S7-400

Siemens Step 7/Step7/S7 S7300 S7 300 S7-300 PLC programmers
The S7 300 is ideal for standalone machines and processes The memory sizes and speed processors have been continuously improved together with its many communications options This range od PLCs provides a powerful solution for many applications

TIA Portal advanced programmers runtime advanced software

HMI SCADA DCS MES Programming

Network Architecture

OPC CC Link Canopen Profibus Profinet Modbus Devicenet Controlnet Ethernet IP

Siemens PLC data to a web server

Siemens PLC addresses to a web server

Siemens PLC tags to a web server

Siemens PLC variables to a web server

Siemens PLC data to the web

Siemens PLC addresses to the web

Siemens PLC tags to the web

Siemens PLC variables to the web

Siemens PLC data to a website

Siemens PLC addresses to a website

Siemens PLC tags to a website

Siemens PLC variables to a website

Siemens PLC data to the cloud

Siemens PLC addresses to the cloud

Siemens PLC tags to the cloud

Siemens PLC variables to the cloud

6ES7412
6ES7414
6ES7416
6ES7417
6ES7312
6ES7313
6ES7314
6ES7315
6ES7317
6ES7319
6ES7211
6ES7212
6ES7214
6ES7211
6ES7212
6ES7214
6ES7216
MPI and or Profibus PROFINET PPI

Wonderware SCADA programmers control system software engineers automation support engineers PLC integrators Allen Bradley RSview32 experts Omron engineers Mitsubishi FX analysts Allen Bradley specialists industrial automation software developers Siemens S5 consultants Allen Bradley SLC500 providers Wonderware system integrators Building management systems consultants Siemens programmers Allen Bradley RSView32 software engineers Siemens S7200 programmer programmable logic controller support engineer Which companies install automated control systems Allen Bradley RSLogix5 engineer Allen Bradley RSLogix500 software engineer Allen Bradley RSLogix5000 software programmer

Siemens Step 7/Step7/S7 S71200 S7 1200 S7-1200 PLC programmers
The latest addition to the S7 range. It was the first to use Siemens tag based PLC programming software Step 7 TIA. The software also includes a built in version of the HMI software WinCC Flexible

Siemens TIA Portal

Siemens Step 7/Step7/S7 S7200 S7 200 S7-200 PLC programmers
Although the PLC has the smallest footprint of the S7 range it comes with many advanced programming wizards which reduce coding time and improve reliability

Control system programmer Wonderware Intouch SCADA HMI developers automation software engineers PLC support engineers Allen Bradley RSview 32 integrators automation engineers Allen Bradley RSview32 analysts control system specialists Siemens S5 developers Allen Bradley SLC500 consultants Allen Bradley SLC 500 providers Siemens system integrators Allen Bradley programmers Siemens S7200 programmers control system software engineers Who installs automated process systems AB RSLogix5 programmer AB RSLogix500 consultant AB RSLogix5000 software engineer free estimate for Siemens S5 programming

Siemens Step7 programmer
Siemens Step7 programmers

Siemens Step 7 programmer
Siemens Step 7 programmers

Allen Bradley ControlLogix integrator free quote for Allen Bradley PLC 5 project Siemens TIA Portal Southampton Hampshire England United Kingdom UK Micrologix 1100 programming Building Management Systems programmers BMS maintenance commissioning engineers experienced PLC integrator Wincc SCADA system automation maintenance software engineers Micrologix 1200 programmerchange Siemens S5 to S7 conversions SCADA techniciancontrol system design guide free traffic light PLC program for Allen Bradley Wonderware HMI. Expert Business experts specialist organisation. List of companies that sell scada systems.Directory of businesses which supply PLC control systems. Examples of organisations who provide wonderware process control systems Example company that writes software for Siemens automated systems specialists Siemens to
Allen Bradley conversion convert Siemens to Allen Bradley

Southampton Hampshire England United Kingdom UK integrated control systems Allen Bradley Compactlogix programmers industrial manufacturing control system integrators food production automation engineers gas works automation providers. Expert Business Siemens TIA Portal experts specialist organisation. List of companies that sell scada systems.Directory of businesses which supply PLC control systems. Examples of organisations who provide wonderware process control systems. Example company that writes software for Siemens automated systems specialists Change Siemens to Allen Bradley